详解西门子PLC编程接线图,附梯形图程序实例,PLC快速入门

今天给大家分享的是关于PLC编程控制入门常用到的实例。里面包含的知识点是较为齐全的,如:I/O分配表、PLC接线图、梯形图程序等。
一、电动机顺序启动、顺序停止控制(I/O分配表、PLC接线图、梯形图程序)




二、电动机的顺序启动、同时停止(I/O分配表、PLC接线图、梯形图程序)




三、电动机的顺序启动、逆序停止(I/O分配表、PLC接线图、梯形图程序)




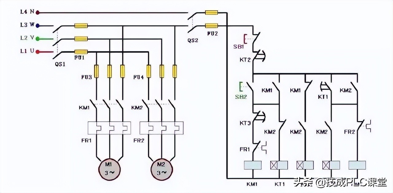
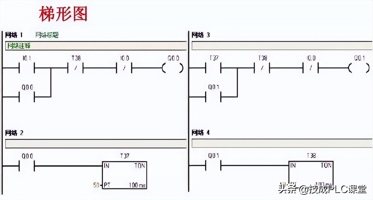
四、电动机延时启动、停止控制(I/O分配表、PLC接线图、梯形图程序)




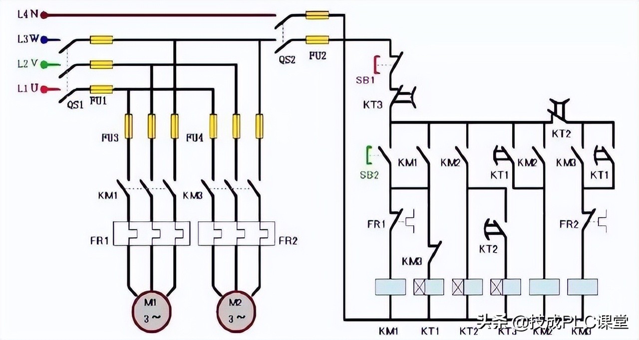
五、笼型感应电动机定子绕组从串电阻降压启动控制系统(I/O分配表、PLC接线图、梯形图程序)




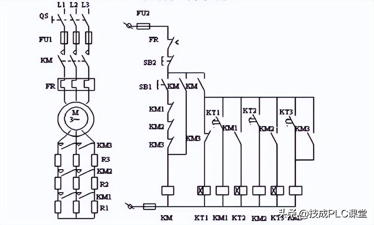
六、三相绕线感应电动机转子绕组串电阻降压启动控制系统(I/O分配表、PLC接线图、梯形图程序)




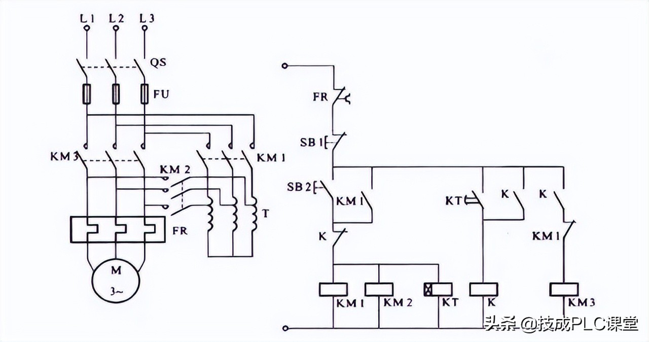
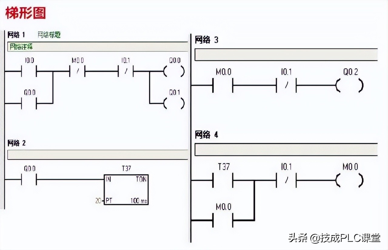
七、Y-△降压启动控制系统(I/O分配表、PLC接线图、梯形图程序)
Y-△降压启动控制(1)




Y-△降压启动控制(2)




八、自耦变压器降压启动控制系统(I/O分配表、PLC接线图、梯形图程序)




来源:网络,侵删~
转发是最大的鼓励!谢谢您的支持!
小贴士
PLC专属资料:含有从入门到高级所有PLC学习资料(三菱/西门子/欧姆龙),电气经典18本大全书,历年电气考试真题、电气必备实训仿真软件、电气自动化行业各类型技术手册!





















